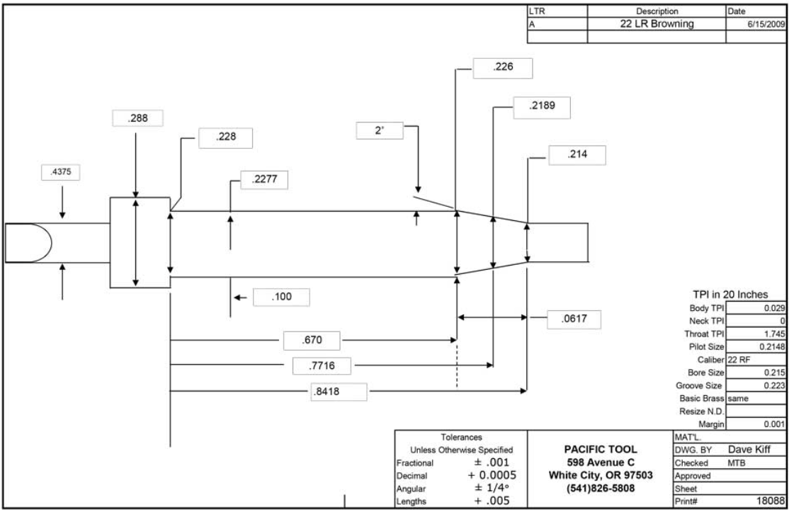
22 LR Browning Chamber Reamer Finisher
Our Premium Pilot Chamber Reamers are individually hand-stoned to cut smooth and chatter free. Made to SAAMI specifications or custom specifications for standardized cartridges and to the current industry standard for popular wildcat cartridges. All HSS reamers have a 3/8" square drive shank. Carbide reamers feature a .4375" cylindrical shank. We can grind a square drive on a carbide reamer, but we do not recommend driving a carbide reamer with square drive - the carbide tends to chip and/or shatter. Premium reamers feature removable pilots that are held in place with a screw. Premium reamers include one bushing of nominal bore diameter. Reamers are available in Carbide for production run needs: Please contact a sales associate if you have any questions or if you would like to order a carbide reamer.
Tolerance for Premium Pilot Finisher with screw is held to + 0.0004 Match Grade - Tolerance for Resize (Die) Reamer is std die mfg specifications of -0.0035 to -0.004 on body and -0.01 to -.011 on neck - Tolerance for Rougher is -0.009, unless noted.
